磁过滤器(CLQ型)
一、概述
CLQ型磁过滤器适用于稀油润滑系统,它安装在稀油站回油管的末端,稀油润滑系统的回油经过磁过滤器流进油箱,它能滤出其它过滤器无法滤出的细小磁性杂质。
经过磁过滤器的油流速度推荐为0.23~0.59m/s。
二、技术参数
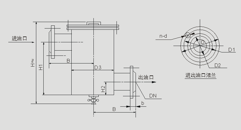
 三、外形结构及尺寸
连接法兰按JB 81-59的规定(PN=1MPa)
四、型号标注说明
公称通径为50mm的磁过滤器