油流指示器(YZQ型)
一、概述
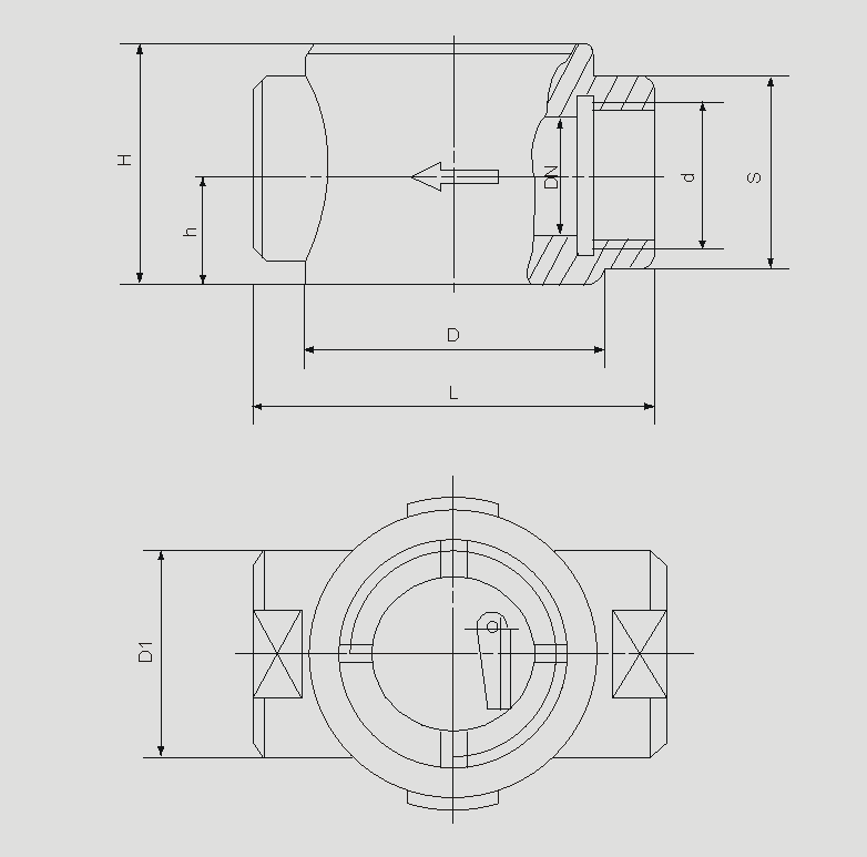
YZQ型油流指示器适用于稀油润滑系统中观察管路中油的流动情况。适用介质粘度等级为N22~N460;与管道联接时,壳体上的流向箭头必须与管道内工作介质的实际流向一致。

二、技术参数、外形结构及尺寸